



管網法蘭式伸縮蝶閥適用于地下管網供、排水管道上作啟閉或調節介質流量之用,具有耐潮、耐腐蝕、壽命長等特點。


采用標準:
設計標準:GB/T12238-1989
  法蘭連接尺寸:GB/T9113.1-2000; GB/T9113.2-2000; GB/T9115.1-2000; GB/T9115.2-2000
  壓力試驗:GB/T 13927-1992; JB/T 9092-1999
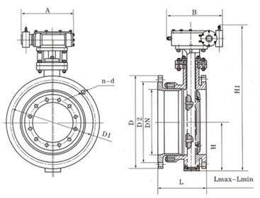
結構示意圖

SDt/d343(H.F.X)-(6、10、16)系列連接尺寸
| 公稱通徑 | 外形尺寸(參考值) | 法蘭尺寸和螺栓尺寸(標準值) | ||||||||||||||||||
|---|---|---|---|---|---|---|---|---|---|---|---|---|---|---|---|---|---|---|---|---|
| H | H1 | 設計最大長度L | 設計最小長度L | 設計長度L | A | B | 0.6MPa | 1.0MPa | 1.6MPa | |||||||||||
| 毫米 | 英寸 | D | D1 | D2 | n-d | D | D1 | D2 | n-d | D | D1 | D2 | n-d | |||||||
| 200 | 8 | 174 | 607 | 265 | 215 | 245 | 190 | 308 | 320 | 280 | 254 | 8-18 | 340 | 295 | 266 | 8-22 | 340 | 294 | 266 | 12-22 | 
| 250 | 10 | 215 | 688 | 295 | 235 | 265 | 190 | 308 | 375 | 335 | 309 | 12-18 | 395 | 350 | 319 | 12-22 | 405 | 355 | 319 | 12-26 | 
| 300 | 12 | 245 | 742 | 308 | 254 | 282 | 190 | 308 | 440 | 395 | 363 | 12-22 | 445 | 400 | 370 | 12-22 | 460 | 410 | 370 | 12-26 | 
| 350 | 14 | 270 | 797 | 325 | 271 | 300 | 190 | 308 | 490 | 445 | 413 | 12-22 | 505 | 460 | 429 | 16-22 | 520 | 470 | 429 | 16-26 | 
| 400 | 16 | 305 | 930 | 345 | 283 | 314 | 270 | 466 | 540 | 495 | 463 | 16-22 | 565 | 515 | 480 | 16-26 | 580 | 525 | 480 | 16-30 | 
| 450 | 18 | 325 | 975 | 370 | 314 | 340 | 270 | 466 | 595 | 550 | 518 | 16-22 | 615 | 565 | 530 | 20-26 | 640 | 585 | 548 | 20-30 | 
| 500 | 20 | 360 | 1065 | 377 | 316 | 346 | 270 | 466 | 645 | 600 | 568 | 20-22 | 670 | 620 | 582 | 20-26 | 715 | 650 | 609 | 20-33 | 
| 600 | 24 | 445 | 1225 | 446 | 388 | 417 | 457 | 625 | 755 | 705 | 667 | 20-26 | 780 | 725 | 682 | 20-30 | 840 | 770 | 720 | 20-36 | 
| 700 | 28 | 505 | 1343 | 445 | 395 | 425 | 457 | 625 | 860 | 810 | 772 | 24-26 | 895 | 840 | 794 | 24-30 | 910 | 840 | 794 | 24-36 | 
| 800 | 32 | 560 | 1436 | 479 | 425 | 455 | 457 | 625 | 975 | 920 | 878 | 24-30 | 1015 | 950 | 901 | 24-33 | 1025 | 950 | 901 | 24-39 | 
| 900 | 36 | 630 | 1616 | 515 | 455 | 485 | 598 | 853 | 1075 | 1020 | 978 | 24-30 | 1115 | 1050 | 1001 | 28-33 | 1125 | 1050 | 1001 | 28-39 | 
| 1000 | 40 | 680 | 1711 | 525 | 465 | 495 | 598 | 853 | 1175 | 1120 | 1078 | 28-30 | 1230 | 1160 | 1112 | 28-36 | 1255 | 1170 | 1112 | 28-42 | 
| 1200 | 48 | 795 | 1971 | 574 | 512 | 542 | 598 | 853 | 1405 | 1340 | 1295 | 32-33 | 1455 | 1380 | 1328 | 32-39 | 1485 | 1390 | 1328 | 32-48 | 
| 1400 | 56 | 900 | 2218 | 599 | 547 | 572 | 860 | 1345 | 1630 | 1560 | 1510 | 36-36 | 1675 | 1530 | 1530 | 36-42 | 1685 | 1590 | 1530 | 36-48 | 
| 1600 | 64 | 1100 | 2578 | 640 | 589 | 615 | 860 | 1345 | 1830 | 1760 | 1710 | 40-36 | 1915 | 1820 | 1750 | 40-48 | 1930 | 1820 | 1750 | 40-56 | 
| 1800 | 72 | 1124 | 2689 | 725 | 670 | 695 | 860 | 1345 | 2045 | 1970 | 1718 | 44-39 | 2115 | 2020 | 1950 | 44-48 | 2130 | 2020 | 1950 | 44-56 | 
| 2000 | 80 | 1292 | 3022 | 764 | 680 | 722 | 952 | 1592 | 2265 | 2180 | 2125 | 48-42 | 2325 | 2230 | 2150 | 48-48 | 2345 | 2230 | 2150 | 48-62 | 

dgfmjt@163.com

021-66861950

上海市金山區亭林鎮亭朱公路1918號