



電動法蘭式伸縮蝶閥適用于溫度≤80℃,公稱壓力≤1.6MPa的食品、醫藥、化工、石油、電力、輕紡、造紙等給排水、氣體管道上作調節流量和截流介質的作用,具有補償管道熱脹冷縮的功能。其主要特點為:
設計新穎,合理,結構獨特,重量輕,操作方便,啟閉迅速;
伸縮蝶閥除了能作調節和截流作用,補償管道溫差所產生的熱脹冷縮功能外,還能為安裝更換、維修提供方便;
密封部位可調節更換,密封性能可靠等特點。


采用標準
設計標準:GB/T12238-1989
  法蘭連接尺寸:GB/T9113.1-2000; GB/T9113.2-2000; GB/T9115.1-2000; GB/T9115.2-2000
  壓力試驗:GB/T 13927-1992; JB/T 9092-1999
主要技術參數
| 公稱通徑 | DN | 50~2000 | ||
|---|---|---|---|---|
| 公稱壓力 | PN | 0.6 | 1.0 | 1.6 | 
| 試驗壓力 | 強度實驗 | 0.9 | 1.5 | 2.4 | 
| 密封實驗 | 0.66 | 1.1 | 1.76 | |
| 氣密封實驗 | 0.6 | 0.6 | 0.6 | |
| 使用溫度 | ≤80℃ | |||
| 適應介質 | 空氣、水、蒸汽、煤氣、油品等 | |||
| 驅動形式 | 手動、蝸桿蝸輪傳動、氣傳動、電傳動 | |||
主要零件的材質
| 零件名稱 | 材料 | 
|---|---|
| 閥體 | 鑄鐵、鑄鋼、不銹鋼鉻、鉬鋼、合金鋼 | 
| 蝶板 | 鑄鋼、合金鋼、不銹鋼、鉻鉬鋼 | 
| 密封圈 | 橡膠、聚四氟、聚內脂、不銹鋼 | 
| 閥桿 | 2Cr13、不銹鋼、鉻鉬鋼 | 
| 伸縮管 | 鑄鐵、鑄鋼、不銹鋼、鉻鉬鋼 | 
| 填料 | 柔性石墨 | 
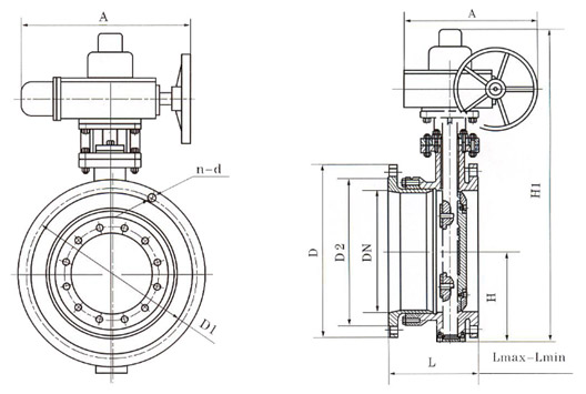
SDt/d943(H.F.X)-(6、10、16)系列電動傳動法蘭式伸縮蝶閥結構示意圖

SDt/d943(H.F.X)-(6、10、16) 系列連接尺寸
| 公稱 通徑  | 外形尺寸(參考值) | 法蘭尺寸和螺栓尺寸(標準值) | 電動 裝置 型號 (參考)  | ||||||||||||||||||
|---|---|---|---|---|---|---|---|---|---|---|---|---|---|---|---|---|---|---|---|---|---|
| H | H1 | 設計 最大 長度L  | 設計 最小 長度L  | 設計 長度L  | A | B | 0.6MPa | 1.0MPa | 1.6MPa | ||||||||||||
| 毫 米  | 英 寸  | D | D1 | D2 | n-d | D | D1 | D2 | n-d | D | D1 | D2 | n-d | ||||||||
| 50 | 2 | 80 | 440 | 164 | 138 | 151 | 250 | 255 | 140 | 110 | 88 | 4-14 | 165 | 125 | 99 | 4-18 | 165 | 125 | 99 | 4-18 | QB 10-1  | 
| 65 | 21/2 | 95 | 445 | 190 | 154 | 172 | 250 | 255 | 160 | 130 | 108 | 4-14 | 185 | 145 | 118 | 4-18 | 185 | 145 | 118 | 4-18 | QB 10-1  | 
| 80 | 3 | 98 | 476 | 195 | 163 | 177 | 250 | 255 | 190 | 150 | 124 | 4-18 | 200 | 160 | 132 | 8-18 | 200 | 160 | 132 | 8-18 | QB 10-1  | 
| 100 | 4 | 114 | 504 | 227 | 184 | 206 | 250 | 255 | 210 | 170 | 144 | 4-18 | 220 | 180 | 156 | 8-18 | 220 | 180 | 156 | 8-18 | QB 10-1  | 
| 125 | 5 | 128 | 550 | 254 | 195 | 215 | 250 | 255 | 240 | 200 | 176 | 8-18 | 250 | 210 | 184 | 8-18 | 250 | 210 | 184 | 8-18 | QB 20-1  | 
| 150 | 6 | 139 | 652 | 240 | 201 | 225 | 300 | 315 | 265 | 225 | 199 | 8-18 | 285 | 240 | 211 | 8-22 | 285 | 240 | 211 | 8-22 | QB 20-1  | 
| 200 | 8 | 174 | 732 | 265 | 215 | 245 | 300 | 315 | 320 | 280 | 254 | 8-18 | 340 | 295 | 266 | 8-22 | 340 | 294 | 266 | 12-22 | QB 60-1  | 
| 250 | 10 | 215 | 823 | 295 | 235 | 265 | 300 | 315 | 375 | 335 | 309 | 12-18 | 395 | 350 | 319 | 12-22 | 405 | 355 | 319 | 12-26 | QB 60-1  | 
| 300 | 12 | 245 | 877 | 308 | 254 | 282 | 300 | 315 | 440 | 395 | 363 | 12-22 | 445 | 400 | 370 | 12-22 | 460 | 410 | 370 | 12-26 | QB 120-1  | 
| 350 | 14 | 270 | 932 | 325 | 271 | 300 | 300 | 315 | 490 | 445 | 413 | 12-22 | 505 | 460 | 429 | 16-22 | 520 | 470 | 429 | 16-26 | QB 120-1  | 
| 400 | 16 | 305 | 1047 | 345 | 283 | 314 | 300 | 315 | 540 | 495 | 463 | 16-22 | 565 | 515 | 480 | 16-26 | 580 | 525 | 480 | 16-30 | QB 250-1  | 
| 450 | 18 | 325 | 1092 | 370 | 314 | 340 | 575 | 714 | 595 | 550 | 518 | 16-22 | 615 | 565 | 530 | 20-26 | 640 | 585 | 548 | 20-30 | QB 250-1  | 
| 500 | 20 | 360 | 1182 | 377 | 316 | 346 | 575 | 714 | 645 | 600 | 568 | 20-22 | 670 | 620 | 582 | 20-26 | 715 | 650 | 609 | 20-33 | QB 250-1  | 
| 600 | 24 | 445 | 1380 | 446 | 388 | 417 | 656 | 810 | 755 | 705 | 667 | 20-26 | 780 | 725 | 682 | 20-30 | 840 | 770 | 720 | 20-36 | QB 500-0.5  | 
| 700 | 28 | 505 | 1502 | 445 | 395 | 425 | 656 | 810 | 860 | 810 | 772 | 24-26 | 895 | 840 | 794 | 24-30 | 910 | 840 | 794 | 24-36 | QB 500-0.5  | 
| 800 | 32 | 560 | 1545 | 479 | 425 | 455 | 656 | 810 | 975 | 920 | 878 | 24-30 | 1015 | 950 | 901 | 24-33 | 1025 | 950 | 901 | 24-39 | ZA 60  | 
| 900 | 36 | 630 | 1710 | 515 | 455 | 485 | 785 | 863 | 1075 | 1020 | 978 | 24-30 | 1115 | 1050 | 1001 | 28-33 | 1125 | 1050 | 1001 | 28-39 | ZA 60  | 
| 1000 | 40 | 680 | 1805 | 525 | 465 | 495 | 785 | 863 | 1175 | 1120 | 1078 | 28-30 | 1230 | 1160 | 1112 | 28-36 | 1255 | 1170 | 1112 | 28-42 | ZA 60  | 
| 1200 | 48 | 795 | 2096 | 574 | 512 | 542 | 785 | 863 | 1405 | 1340 | 1295 | 32-33 | 1455 | 1380 | 1328 | 32-39 | 1485 | 1390 | 1328 | 32-48 | ZA 120  | 
| 1400 | 56 | 900 | 2296 | 599 | 547 | 572 | 790 | 1338 | 1630 | 1560 | 1510 | 36-36 | 1675 | 1530 | 1530 | 36-42 | 1685 | 1590 | 1530 | 36-48 | ZA 120  | 
| 1600 | 64 | 1100 | 2720 | 640 | 589 | 615 | 868 | 1476 | 1830 | 1760 | 1710 | 40-36 | 1915 | 1820 | 1750 | 40-48 | 1930 | 1820 | 1750 | 40-56 | ZA 240  | 
| 1800 | 72 | 1124 | 2830 | 725 | 670 | 659 | 868 | 1476 | 2045 | 1970 | 1718 | 44-39 | 2115 | 2020 | 1950 | 44-48 | 2130 | 2020 | 1950 | 44-56 | ZA 240  | 
| 2000 | 80 | 1290 | 3120 | 764 | 680 | 722 | 965 | 1600 | 2265 | 2180 | 2125 | 48-32 | 2325 | 2230 | 2150 | 48-48 | 2345 | 2230 | 2150 | 48-62 | ZA 240  | 

dgfmjt@163.com

021-66861950

上海市金山區亭林鎮亭朱公路1918號