



STB可調恒溫式疏水閥屬熱靜力型中的一種新產品。閥內感溫元件中裝有感溫劑、飽和劑、穩定劑和填充劑組成的感溫混和物.利用其對溫鷹的熱脹冷締殛狀態變換,使得閥門自動關閉或開啟,從而達到阻汽排水之目的。選用臺適的規格便確定T冷凝水排放的溫度范圍,然后可在此范圍內根據情況要求用調節螺釘進行調節


當前疏水閥廣泛地應用于城建、化工、冶金、石油、制藥、食品、飲料、環保中。

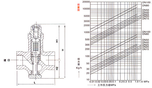
1、公稱壓力PN:0 8、1 0、1 6、2 5、4 0MPa
  2、公稱通徑DN l 5、20、25、32、40、50、65、80、1 00mm
  3、排水溫度:A組65~1 00℃
  B組95~1 35℃
  C組1 30~1 65℃
  4、漏氣率:0 5%以下
  5、壽命1 0000小時以上
  6、使用溫度:80~450℃
  7、連接萬式三種:
  I、ST為螺紋角式
  II、STB為螺紋直通帶過濾器
  III、STC為法蘭直通帶過濾器
| 型號(DN) | 外形尺寸 | 最大排量 | 型號(DN) | 外形尺寸 | 最大排量 T/h | 法蘭外徑 D  | ||
|---|---|---|---|---|---|---|---|---|
| 長L | 高H | 長L | 高H | |||||
| ST8-15 | 120 | 65 | 1.4 | STB16-15 | 90 | 150 | 3.0 | |
| ST8-20 | 120 | 65 | 3.0 | STB16-20 | 100 | 150 | 4.0 | |
| ST8-25 | 130 | 70 | 4.0 | STB16-25 | 120 | 165 | 5.0 | |
| ST16-15 | 120 | 65 | 3.0 | STB10-40 | 140 | 185 | 9.0 | |
| ST16-20 | 120 | 65 | 4.0 | STB10-50 | 160 | 195 | 11.0 | |
| ST16-25 | 130 | 70 | 5.0 | STC16-15 | 150 | 175 | 3.0 | 95 | 
| ST16-40 | 145 | 85 | 9.0 | STC16-20 | 150 | 175 | 4.0 | 105 | 
| ST16-50 | 145 | 95 | 11.0 | STC16-25 | 160 | 185 | 5.0 | 115 | 
| STC10-40 | 230 | 255 | 9.0 | 145 | ||||
| STC10-50 | 230 | 255 | 11.0 | 160 | ||||
| STC10-80 | 310 | 285 | 18.0 | 195 | ||||
| STC10-100 | 310 | 355 | 22.0 | 215 | ||||

dgfmjt@163.com

021-66861950

上海市金山區亭林鎮亭朱公路1918號