



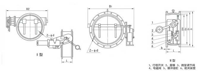
H147H、H247H、H347H助關緩沖止回閥適用于高溫液體或氣體管路.安裝在泵或風機的出口處 它具有快速截斷管路介質防止介質逆流和保護泵或風機不受損壞。該止回閥主要由閥體、閥桿、閥瓣、液壓緩沖裝置、氣動執行裝置、傳動機構、減壓裝置、電磁換向機構、電路控制系統等部件構造而成。此功能止目閥本廠有兩種外彤結構供用戶選用除此之外也可根據用戶要求來目來樣進行設計制造。



主要技術參數
| 型 號 | 147H、H247H、H347H | |||
|---|---|---|---|---|
| 公稱壓力(MPa) | 1.0 | 1.6 | 2.5 | |
| 試驗壓力 (MPa) | 殼體 | 1.5 | 2.4 | 3.75 | 
| 密封 | 1.1 | 1.75 | 2.75 | |
| 工作溫度(℃) | <350 | |||
| 適用介質 | 水、水蒸汽、含微量粉塵的空氣 | |||
| 電磁換向閥電源AC | 220V | |||
| 助關裝置工作壓力(MPa) | 0.2-0.4 | |||
| 關閉時間 | 3-30秒內任意調節 | |||
主要零件材料
| 零件名稱 | 材 料 | 
|---|---|
| 閥 體 | 鑄鐵、碳鋼板圈型 | 
| 蝶 板 | 碳 鋼 | 
| 閥 瓣 | 不銹鋼 | 
| 密封面 | 合金不銹鋼 | 
| 緩沖裝置、助關裝置 | 不銹鋼 | 
主要外形尺寸
(法蘭連接尺寸接JB,T78—94標準)
| DN(mm) | L | B1 | B2 | H | 
|---|---|---|---|---|
| 300 | 270 | 650 | 740 | 690 | 
| 350 | 290 | 710 | 800 | 780 | 
| 400 | 310 | 770 | 870 | 860 | 
| 450 | 330 | 830 | 920 | 910 | 
| 500 | 350 | 900 | 1000 | 980 | 
| 600 | 390 | 1090 | 1250 | 1070 | 
| 700 | 430 | 1200 | 1360 | 1220 | 
| 800 | 470 | 1320 | 1480 | 1320 | 
| 900 | 510 | 1420 | 1580 | 1430 | 
| 1000 | 550 | 1550 | 1700 | 1550 | 
| 1200 | 630 | 1780 | 1950 | 1800 | 
| 1400 | 710 | 2000 | 2175 | 1980 | 
| 1600 | 790 | 2250 | 2470 | 2150 | 
| 1800 | 870 | 2450 | 2650 | 2350 | 
| 2000 | 950 | 2700 | 2850 | 2550 | 

dgfmjt@163.com

021-66861950

上海市金山區亭林鎮亭朱公路1918號