



GA42/GA44型杠桿式安全閥適用于工作溫度≤450℃的空氣、蒸汽等介質的設備和管路上,作為超壓保護裝置。當設備和管路內壓力超過允許值時,閥門自動關閉,保證設備和管路的安全運行。該閥出口有套筒式、法蘭式二種,選購時應先核對確認。


用范圍
該安全閥適用于城建、化工、冶金、石油、制藥、食品、飲料、環保
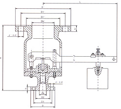
結構示意圖

主要尺寸
| 公稱通徑 DN(mm)  | 尺寸(mm) | 重量(kg) | ||||
|---|---|---|---|---|---|---|
| Do | DN | H | L | GA42 | GA44 | |
| 40 | 32 | 15 | 344 | 715 | 45 | 50 | 
| 50 | 40 | 15 | 344 | 715 | 50 | 65 | 
| 80 | 50 | 15 | 344 | 715 | 75 | 90 | 

dgfmjt@163.com

021-66861950

上海市金山區亭林鎮亭朱公路1918號