



東鍋公司生產銷售的Q648/649F(PPL、M)-16氣動三通法蘭球閥可分為L型和T型。L型三通球閥用于介質流向的切換,能使相互垂直的兩個通道連通。三通球閥一般采用兩閥座結構,亦可采用四閥座結構。四閥座密封三通球閥具有造型美觀、結構緊湊合理,它不僅可實現介質流向的切換,也可使三個通道相互連通,同時也可關閉任一通道,使另外兩個通道連通,靈活控制管路中介質的合流或分流。


| 工作原理 氣動三通法蘭球閥的球體分L型和T型,氣動執行器帶動球體經90度的旋轉動作來達到換向的控制目的,或經180度的旋轉動作來達到換向與分流合流的控制目的。執行器與閥體的直接連接減少了發生故障的機率。 特點及用途
  |    | 
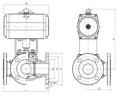
主要外形和連接尺寸 單位Unit:(mm)
| Q648/649F-16 | |||||||||||
|---|---|---|---|---|---|---|---|---|---|---|---|
| 通徑DN | L | L1 | D | K | D1 | n-Φd | b | f | H | W | |
| mm | in | ||||||||||
| 25 | 1″ | 200 | 100 | 115 | 85 | 65 | 4-Φ14 | 16 | 2 | 193 | 140 | 
| 32 | 1 1/4″ | 220 | 100 | 140 | 100 | 76 | 4-Φ18 | 18 | 2 | 212 | 164 | 
| 40 | 1 1/2″ | 250 | 125 | 150 | 110 | 84 | 4-Φ18 | 18 | 2 | 230 | 164 | 
| 50 | 2″ | 260 | 130 | 165 | 125 | 99 | 4-Φ18 | 20 | 3 | 268 | 190 | 
| 65 | 2 1/2″ | 300 | 150 | 185 | 145 | 118 | 4-Φ18 | 20 | 3 | 293 | 210 | 
| 80 | 3″ | 320 | 160 | 200 | 160 | 132 | 8-Φ18 | 20 | 3 | 325 | 247 | 
| 100 | 4″ | 370 | 185 | 220 | 180 | 156 | 8-Φ18 | 22 | 3 | 380 | 276 | 
| 125 | 5″ | 430 | 215 | 250 | 210 | 184 | 8-Φ18 | 22 | 3 | 468 | 348 | 
| 150 | 6″ | 480 | 240 | 285 | 240 | 211 | 8-Φ23 | 24 | 3 | 510 | 378 | 
| 200 | 8″ | 550 | 275 | 340 | 295 | 256 | 12-Φ23 | 24 | 3 | 655 | 432 | 
法蘭標準:GB9113亦可按ANSI B16.5、JIS B2212

dgfmjt@163.com

021-66861950

上海市金山區亭林鎮亭朱公路1918號